Product Service
Contact the dealer to know more about the order information.
Product features and Applications
SA6D36 Variable Piston Pump is mainly used by open type hydraulic system with controlled gross power, applied to construction.
Machinery, and especially for 6-8tons excavator.
technical parameter
| Model |
SA6D036 |
| Replace |
(SK3SP36C) |
| Displacement |
36x2 mL/r |
| Direction Of Rotation(View From Shaft End) |
R:Clockwise L:Counter Clockwise |
| Rated Speed |
2000 r/min |
| Max. Speed |
2300 r/min |
| Inlet Pressure |
0.05~0.2 MPa |
| Rated Pressure |
28 MPa |
| Max. Pressure |
30 MPa |
| Recommended Oil |
L-HM46(Summer) L-HM32(Winter) |
| Housing Pressure |
≤0.15 MPa |
| Displacement Of Gear Pump |
9 mL/r |
| Max. Pressure Of Gear Pump |
5 MPa |
| Woking Mode |
Open Circuit System |
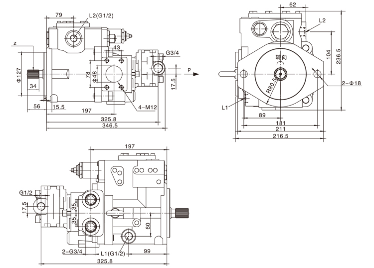
Installation size

| Specification |
z |
Module |
a |
ΦD |
Φd |
| SA6D036 |
15 |
16/32 |
30° |
Ф25 |
Ф21.67 |